HV7360/HV7361 High-Speed ±100V 2.5A Two-or-Three-Level Ultrasound Pulsers

/var/www/html/datasheet/sites/default/files/pdfhtml_dummy/20005570C-html.html
background image

 2017 Microchip Technology Inc.

DS20005570C-page 1

HV7360/HV7361

Features

• High-Density Integration AC-coupled Pulser
• 0V to ±100V Output Voltage
• ±2.5A Source and Sink Minimum Pulse Current
• Up to 35 MHz Operating Frequency
• 2 ns Matched Delay Times
• 2.5V, 3.3V or 5V CMOS Logic Interface
• Built-in Two-terminal Low-noise Interface for 

HV7361

• Low Power Consumption and No Floating Power 

Supply Rails or Decoupling Capacitors

Applications

• Medical Ultrasound Imaging
• Piezoelectric Transducer Drivers
• Ultrasound Industrial NDT
• Pulse Waveform Generator

General Description

The HV7360/HV7361 are high-voltage and high-speed
pulse generators with built-in, fast return-to-zero
damping Field-Effect Transistors (FETs). An added
feature to HV7361 is an integrated two-terminal
low-noise T/R switch. These integrated circuits are
designed not only for portable medical ultrasound
image devices but also for NDT and test equipment
applications. 
Both the HV7360/HV7361 are composed of controller
logic interface circuits, level translators and
AC-coupled Metal Oxide Semiconductor Field-Effect
Transistor (MOSFET) gate drivers. They also have
high-voltage and high-current P-channel and
N-channel MOSFETs as output stages. 
The peak output currents of each channel are
guaranteed to be over ±2.5A with up to ±100V of pulse
swing. The AC coupling topology for the gate drivers
not only saves two floating voltage supplies but also
makes the PCB layout easier.

Package Type

22-lead CABGA

(Top view)

See 

Table 2-1

 for pad information. 

 High-Speed ±100V 2.5A Two-or-Three-Level Ultrasound Pulsers

/var/www/html/datasheet/sites/default/files/pdfhtml_dummy/20005570C-html.html
background image

HV7360/HV7361

DS20005570C-page 2

 2017 Microchip Technology Inc.

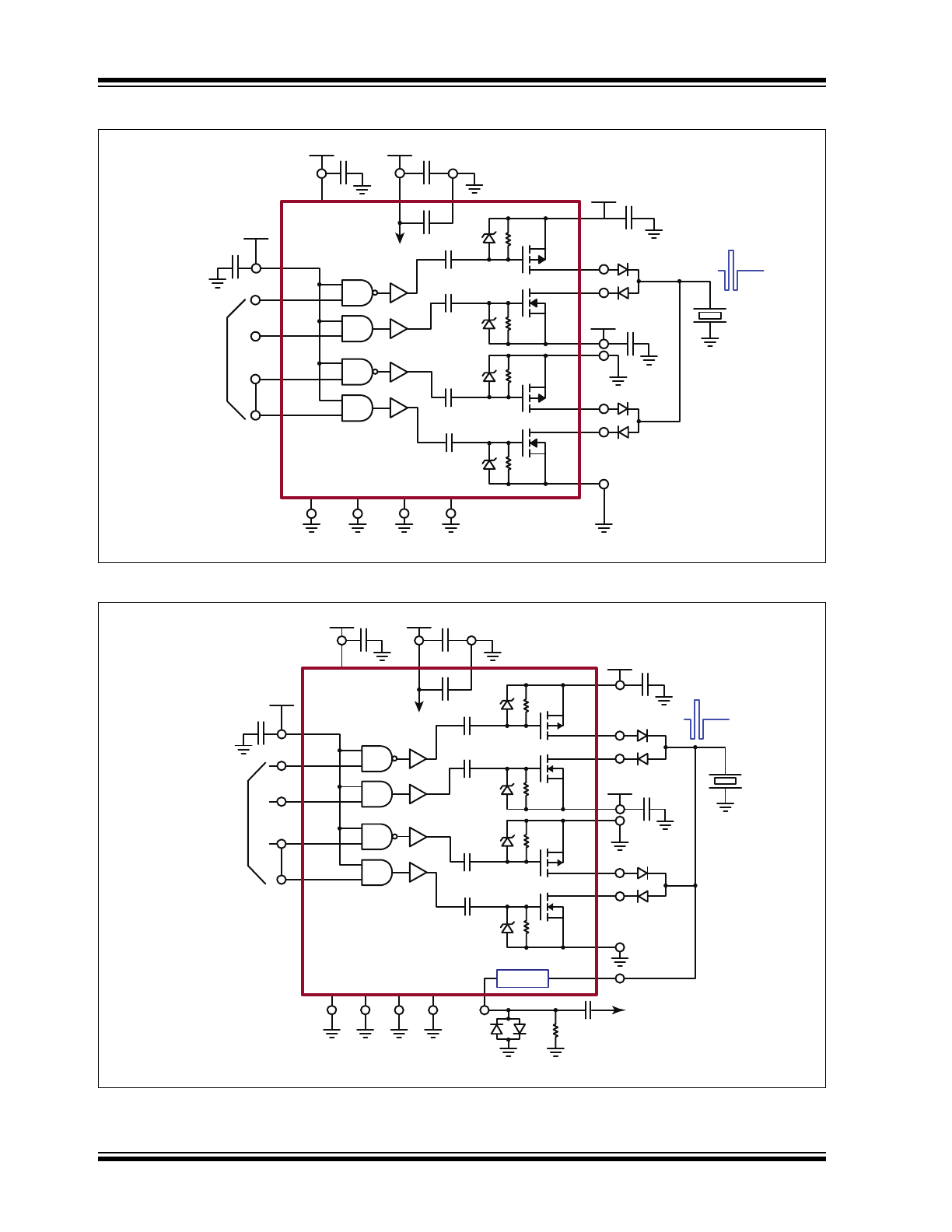
HV7360 Typical Application Circuit

HV7361 Typical Application Circuit

+/-100V 2.5A Three-level RTZ Transmit Pulsers 

+2.5/3.3V V

LL

VDD

VH

INA

INB

PE

VL1

GND

INC

IND

VSS

SP1

SP2

SN1

SN2

DP1

DP2

0 to -100V

+10V

2.5/3.3V

Logic Input

DN2

DN1

VL2

VL3

+10V

HV

OUT

0 to +100V

+/-100V 2.5A Three-level RTZ Transmit Pulsers with T/R Switch

+2.5/3.3V V

LL

VDD

VH

PE

INA

INB

INC

IND

VL1

GND VSS

SP1

SP2

SN1

SN2

DP1

DP2

0 to -100V

+10V

2.5/3.3V

Logic Input

DN2

DN1

VL2

VL3

+10V

0 to +100V

T/R SW

XDCR

to Rx LNA

RX

/var/www/html/datasheet/sites/default/files/pdfhtml_dummy/20005570C-html.html
background image

 2017 Microchip Technology Inc.

DS20005570C-page 3

HV7360/HV7361

1.0

ELECTRICAL CHARACTERISTICS

Absolute Maximum Ratings †

Chip Power Supply Voltage, V

DD

–V

SS 

.................................................................................................... –0.5 to +12.5V

Output High Supply Voltage, V

H

......................................................................................................V

L

–0.5 to V

DD

+0.5V

Output Low Supply Voltage, V

L

..................................................................................................... V

SS

–0.5V to V

H

+0.5V

Low-side Supply Voltage, V

SS

.....................................................................................................................–6V to +0.5V

Differential High Voltage, V

SP1

–V

SN1

, V

SP2

–V

SN2 

............................................................................................... +220V

Positive High Voltage, V

SP1,2

 ................................................................................................................. –0.5V to +110V

Negative High Voltage, V

SN1,2

  ............................................................................................................... +0.5V to –110V

All Logic Input Voltages.............................................................................................................V

SS

–0.5V to GND +5.5V

Rx to XDCR Differential Drop ............................................................................................................................... ±140V
Coupling Capacitor Breakdown Voltage................................................................................................................ ±110V
Maximum Junction Temperature, T

J

......................................................................................................................125°C

Operating Ambient Temperature, T

A

 ......................................................................................................–40°C to +85°C

 Notice: Stresses above those listed under “Absolute Maximum Ratings” may cause permanent damage to the
device. This is a stress rating only, and functional operation of the device at those or any other conditions above those
indicated in the operational sections of this specification is not intended. Exposure to maximum rating conditions for
extended periods may affect device reliability. 

OPERATING SUPPLY VOLTAGES AND CURRENT

Electrical Specifications: GND = 0V, V

H

 = V

DD

 = +10V, V

L

 = V

SS

 = 0V, V

PE

 = 3.3V, V

PP

 = +100V, V

NN

 = –100V,             

T

A

 = 25°C unless otherwise specified. 

Parameter

Sym.

Min.

Typ.

Max.

Unit

Conditions 

Logic Supply Voltage Range

 V

LL

2.25

3.63

V

Supply Voltage

V

DD

-V

SS

4.75

11.5

V

4V ≤ V

DD

 ≤ 11.5V

Low Side Supply Voltage

V

SS

–5.5

0

V

Gate Drive High-side Voltage

V

H

V

SS

+4

V

DD

V

V

H

–V

L

 ≥ 4V

Gate Drive Low-side Voltage

V

L

V

SS

V

DD

–4

V

Output Positive High Voltage

V

SP1,2

0

100

V

Output Negative High Voltage

V

SN1,2

–100

0

V

V

DD

 Quiescent Current

I

DDQ

50

μA

No input transitions, PE = 0

V

H

 Quiescent Current

I

HQ

2

μA

V

DD

 Quiescent Current

I

DDQ

1

mA

No input transitions, PE = 1

V

H

 Quiescent Current

I

HQ

2

μA

V

DD

 Average Current

I

DD

4

mA

One channel on at 5 MHz, no 
load

V

H

 Average Current

I

H

10

mA

Input Logic Voltage High

V

IH

V

PE

–0.3

V

PE

V

For logic inputs INA, INB, INC 
and IND

Input Logic Voltage Low

V

IL

0

0.3

V

Input Logic Current High

I

IH

1

μA

Input Logic Current Low

I

IL

1

μA

PE Input Logic Voltage High

V

PEH

 1.7

3.3

5.25

V

For logic input PE

PE Input Logic Voltage Low

V

PEL

0

0.3

V

PE Input Impedance to GND

R

INPE

100

kΩ

/var/www/html/datasheet/sites/default/files/pdfhtml_dummy/20005570C-html.html
background image

HV7360/HV7361

DS20005570C-page 4

 2017 Microchip Technology Inc.

AC ELECTRICAL CHARACTERISTICS

Electrical Specifications: GND = 0V, V

H

 = V

DD

 = +10V, V

L

 = V

SS

 = 0V, V

PE

 = 3.3V, V

PP

 = +100V, V

NN

 = –100V,             

T

A

 = 25°C unless otherwise specified. 

Parameter

Sym.

Min.

Typ.

Max.

Unit

Conditions 

Input or PE Rise and Fall Time

t

irf

10

ns

Logic input edge speed requirement

Input to Output Delay

t

d1–4

7.5

ns

R

LOAD

 = 1Ω

Output Rise and Fall Time

t

r/f1–2

9.5

ns

C

LOAD

 = 330 pF, R

LOAD

 = 2.5 kΩ

Rise and Fall Time Matching

∆t

rf

2

ns

Channel to channel

Propagation Matching

∆t

dC2C

1

Propagation Delay Matching

∆t

dD2D

±2

ns

Device to device delay match

PE On-time

t

PE–ON

5

µs

V

PE

 = 1.7 ~ 5.25V,

V

DD

 = 7.5 ~ 11.5V,

–20 ~ 85°C

PE Off-time

t

PE–OFF

4

Output to MOSFET Gate Cap

C

OG

10

nF

100V X7S

V

H

 to V

L3

 Decoupling Cap

C

VH

0.22

µF

16V X7R

ELECTRICAL CHARACTERISTICS

Electrical Specifications: GND = 0V, V

H

 = V

DD

 = +10V, V

L

 = V

SS

 = 0V, V

PE

 = 3.3V, V

PP

 = +100V, V

NN

 = –100V,             

T

A

 = 25°C unless otherwise specified. 

Parameter

Sym.

Min.

Typ.

Max.

Unit

Conditions 

PULSER AND DAMPING P-CHANNEL MOSFET

DC PARAMETER
Drain-to-source Breakdown Voltage

BV

DSS

–200

V

V

GS

 = 0V, I

D

 = –2 mA

Gate Threshold Voltage

V

GS(th)

–1

–2.4

V

V

GS

 = V

DS

, I

D

 = –1 mA

Change in V

GS(th)

 with Temperature

∆V

GS(th)

4.5

mV/°C V

GS

 = V

DS

, I

D

 = –1 mA

Gate-to-source Shunt Resistor

R

GS

10

50

kΩ

I

GS

 = 100 µA, if applied

Gate-to-source Zener Voltage

V

ZGS

13.2

25

V

I

GS

 = –2 mA, if applied

Zero-gate Voltage Drain Current

I

DSS

–10

μA

V

DS

 = Maximum rating,

V

GS

 = 0V

–1

mA

V

DS

 = 0.8 maximum rating,

V

GS

 = 0V, T

A

 = 125°C

ON-state Drain Current

I

D(ON)

–1.2

A

V

GS

 = –5V, V

DS

 = –25V

–2.3

–2.5

V

GS

 = –10V, V

DS

 = –50V

Static Drain-to-source ON-state                              
Resistance

R

DS(ON)

8.5

V

GS

 = –5V, I

D

 = –150 mA

7

V

GS

 = –10V, I

D

 = –1A

Change in R

DS(ON)

 with Temperature

∆R

DS(ON)

1

%/°C

V

GS

 = –10V, I

D

 = –1 mA

AC PARAMETER
Forward Transconductance

G

FS

400

mmho V

DS

 = –25V, I

D

 = –500 mA

Input Capacitance

C

ISS

75

pF

V

GS

 = 0V, 

V

DS

 = –25V, 

f = 1 MHz

Common Source Output Capacitance

C

OSS

21

Reverse Transfer Capacitance

C

RSS

6.5

DIODE PARAMETER
Diode Forward Voltage Drop

 V

SBD

1.8

V

V

GS

 = 0V, I

SD

 = 500 mA

Reverse Recovery Time of Body Diode

t

rrBD

300

ns

PULSER AND DAMPING N-CHANNEL MOSFET

DC PARAMETER
Drain-to-source Breakdown Voltage

BV

DSS

200

V

V

GS

 = 0V, I

D

 = 2 mA

Gate Threshold Voltage

V

GS(th)

1

2.4

V

V

GS

 = V

DS

, I

D

 = 1 mA

/var/www/html/datasheet/sites/default/files/pdfhtml_dummy/20005570C-html.html
background image

 2017 Microchip Technology Inc.

DS20005570C-page 5

HV7360/HV7361

Change in V

GS(th) 

with Temperature

∆V

GS(th)

–4.5

mV/°C V

GS 

= V

DS

, I

D

 = 1 mA

Gate-to-source Shunt Resistor

R

GS

10

50

kΩ

I

GS

 = 100 µA

Gate-to-source Zener Voltage

V

ZGS

13.2

25

V

I

GS

 = 2 mA

Zero Gate Voltage Drain Current

I

DSS

10

μA

V

DS

 = Maximum rating, 

V

GS

 = 0V

1

mA

V

DS

 = 0.8 maximum rating, 

V

GS

 = 0V, T

A

 = 125°C

ON-state Drain Current

I

D(ON)

1.3

A

V

GS

 = 5V, V

DS

 = 25V

2.3

2.5

V

GS

 = 10V, V

DS

 = 50V

Static Drain-to-source ON-state                                            
Resistance

R

DS(ON)

6.5

V

GS

 = 5V, I

D

 = 150 mA

6

V

GS

 = 10V, I

D

 = 1A

Change in R

DS(ON)

 with Temperature

∆R

DS(ON)

1

%/°C

V

GS

 = 10V, I

D

 = 1A

AC PARAMETER
Forward Transconductance

G

FS

400

mmho V

DS

 = 25V, I

D

 = 500 mA

Input Capacitance

C

ISS

56

pF

V

GS

 = 0V,

V

DS

 = 25V,

f = 1 MHz

Common Source Output Capacitance

C

OSS

13

Reverse Transfer Capacitance

C

RSS

2

DIODE PARAMETER
Diode Forward Voltage Drop

 V

SBD

1.8

V

V

GS

 = 0V, I

SD

 = 500 mA

Reverse Recovery Time of Body Diode

t

rrBD

300

ns

ELECTRICAL CHARACTERISTICS (CONTINUED)

Electrical Specifications: GND = 0V, V

H

 = V

DD

 = +10V, V

L

 = V

SS

 = 0V, V

PE

 = 3.3V, V

PP

 = +100V, V

NN

 = –100V,             

T

A

 = 25°C unless otherwise specified. 

Parameter

Sym.

Min.

Typ.

Max.

Unit

Conditions 

HV7361 T/R SWITCH CHARACTERISTICS

Parameter

Sym.

Min.

Typ.

Max.

Unit

Conditions

Breakdown Voltage from XDCR to Rx

B

VA–B

±130

V

I

A–B 

= ±1 mA

Switch-on Resistance from XDCR to Rx

R

SW

15

I

A–B 

= ±5 mA

V

A–B 

Trip Point to Turn Off

V

TRIP

±1

±2

V

Switch Turn-off Voltage

V

OFF

±2 

V

I

A–B 

= ±1 mA

Switch-off Current

I

A–B(OFF)

±200 ±300

µA

V

A–B 

= ±130V

Peak Switching Current

I

PEAK

±60

mA

Turn-off Time 

T

OFF

20

ns

Turn-on Time 

T

ON

20

ns

Switch-on Capacitance from A to B or
B to A 

C

SW(ON)

21

pF

SW = On

Switch-off Capacitance from A to B or
B to A 

C

SW(OFF)

15

pF

V

SW

 = 25V

Small Signal Bandwidth

BW

100

MHz

R

LOAD 

= 50Ω

/var/www/html/datasheet/sites/default/files/pdfhtml_dummy/20005570C-html.html
background image

HV7360/HV7361

DS20005570C-page 6

 2017 Microchip Technology Inc.

TEMPERATURE SPECIFICATIONS

Electrical Characteristics: Unless otherwise noted, for all specifications T

A

 = T

J

 = +25°C.

Parameter

Sym.

Min.

Typ.

Max.

Unit

Conditions

TEMPERATURE RANGE
Maximum Junction Temperature

T

J

125

°C

Operating Temperature

T

A

–40

+85

°C

PACKAGE THERMAL RESISTANCE
22-Lead CABGA

JA

106

°C/W

POWER-UP AND POWER-DOWN SEQUENCE

1

Power-up

Power-down

Step

Description

Step

Description

1

V

LL

1

PE  inactive

2

V

DD

, V

H

, V

SS

 and V

with signal logic low

2

V

PP

 and V

NN

 off

3

V

PP

 and V

NN

3

V

DD

, V

H

, V

SS

 and V

L

 off

4

PE active

4

V

LL

 off

Note 1: Powering up or down in any arbitrary sequence will not cause any damage to the device. The power-up 

sequence and power-down sequence are only recommended to minimize possible inrush current.

LOGIC CONTROL TABLE

PE

Input Pulse

Output MOSFETs

INA

INB

INC

IND

SP1 to DP1 DN1 to SN1 SP2 to DP2 DN2 to SN2

1

1

X

X

X

ON

X

X

X

X

1

X

X

X

ON

X

X

X

X

1

X

X

X

ON

X

X

X

X

1

X

X

X

ON

0

X

X

X

OFF

X

X

X

X

0

X

X

X

OFF

X

X

X

X

0

X

X

X

OFF

X

X

X

X

0

X

X

X

OFF

0

X

X

X

X

OFF

OFF

OFF

OFF

/var/www/html/datasheet/sites/default/files/pdfhtml_dummy/20005570C-html.html
background image

 2017 Microchip Technology Inc.

DS20005570C-page 7

HV7360/HV7361

2.0

PAD DESCRIPTION

Table 2-1

 details the description of pads in

HV7360/HV7361. Refer to 

Package Type

  for the

location of pads. 

TABLE 2-1:

PAD FUNCTION TABLE

Pad 

Location 

HV7360
Symbol

HV7361
Symbol

Description

A1

GND

GND

Driver and level translator circuit ground return (0V)

A2

IND

IND

Damping N-FET control signal logic input, controlling N-FET2

A3

INC

INC

Damping P-FET control signal logic input, controlling P-FET2

A4

V

SS

V

SS

Negative voltage power supply (0V)

A6

V

DD

V

DD

Positive voltage supply (+10V), should connect to an external decoupling cap to 
V

SS

 (0V)

A7

INB

INB

Pulsing N-FET control signal logic input, controlling N-FET1

A8

INA

INA

Pulsing P-FET control signal logic input, controlling P-FET1

A9

PE

PE

Drive power enable Hi = On, Low = Off, logic ‘1’ voltage reference input (+2.5V to 
+3.3V)

B2

V

L2

V

L2

Gate-drive negative voltage power supply (0V)

B8

V

L1

V

L1

Gate-drive negative voltage power supply (0V)

F4

V

H

V

H

Gate-drive positive voltage power supply (+10V)

F7

V

L3

V

L3

V

H

 to V

L

 decoupling cap. The trace connecting V

L1

, V

L2

, and V

L3

 (0V) to ground 

plane should be as short as possible.

G4

NC

No connection for HV7360

RX

T/R switch output for HV7361

P1

SP2

SP2

Source of P-FET2, positive high voltage power supply (0V to +100V) or GND

P2

DP2

DP2

Drain of P-FET2, transmit pulser output

P3

DN2

DN2

Drain of N-FET2, transmit pulser output

P4

SN2

SN2

Source of N-FET2, negative high voltage power supply (0V to –100V) or GND

P5

NC

No connection for HV7360

XDCR

T/R switch input for HV7361

P6

SP1

SP1

Source of P-FET1, positive high voltage power supply (0V to +100V)

P7

DP1

DP1

Drain of P-FET1, transmit pulser output

P8

DN1

DN1

Drain of N-FET1, transmit pulser output

P9

SN1

SN1

Source of N-FET1, negative high voltage power supply (0V to –100V)

/var/www/html/datasheet/sites/default/files/pdfhtml_dummy/20005570C-html.html
background image

HV7360/HV7361

DS20005570C-page 8

 2017 Microchip Technology Inc.

3.0

FUNCTIONAL DESCRIPTION

FIGURE 3-1:

Pulser Timing Test for HV7360/HV7361.

FIGURE 3-2:

T/R Switch I-V curve for HV7361.

INA

INB

TX + DMP

t

f2

50%

INA

0A

I

OUT

TX + DMP

t

r1

t

r2

t

f1

t

d1

t

d3

t

d2

t

d4

50%

50%

50%

90%

90%

10%

10%

I

OUT

INB

0A

+2.5/3.3V V

LL

VDD

VH

PE

INA

INB

INC

IND

VL1

GND VSS

SP1

DP1

DN1

SN1

SP2

DP2

DN2

SN2

XDCR

-100V

+10V

2.5/3.3V

Logic Input

VL2

VL3

+10V

+100V

T/R SW

RX

R1

I

A-B

-V

OFF

     -V

TRIP

+130V

I

A-B 

= -200μA

-130V

I

A-B 

= +200μA

V

A-B

R

SW 

= 15Ω

+I

PEAK 

-I

PEAK

+V

TRIP        

+V

OFF

+1.0mA

+1.0mA

/var/www/html/datasheet/sites/default/files/pdfhtml_dummy/20005570C-html.html
background image

 2017 Microchip Technology Inc.

DS20005570C-page 9

HV7360/HV7361

FIGURE 3-3:

Typical Bipolar One-channel Three-level Ultrasound Transmitter Application Circuit for 

HV7360/HV7361.

 

FIGURE 3-4:

Typical Unipolar Two-channel Two-level Ultrasound Transmitter Application Circuit for 

HV7360/HV7361.

+2.5/3.3V V

LL

VDD

VH

INA

INB

PE

VL1

GND

INC

IND

VSS

SP1

SP2

SN1

SN2

DP1

DP2

0 to -100V

+10V

2.5/3.3V

Logic Input

DN2

DN1

VL2

VL3

+10V

HV

OUT

 0 to +100V

+2.5/3.3V V

LL

VDD

VH

PE

INA

INB

INC

IND

VL1

GND

VSS

SP1

DP1

DN1

SN1

SP2

DP2

DN2

SN2

 

+10V

2.5/3.3V

Logic Input

VL2

VL3

+10V

0 to +100V

TX2

TX1

0 to +100V

/var/www/html/datasheet/sites/default/files/pdfhtml_dummy/20005570C-html.html
background image

HV7360/HV7361

DS20005570C-page 10

 2017 Microchip Technology Inc.

4.0

PACKAGING INFORMATION

4.1

Package Marking Information

Legend: XX...X

Product Code or Customer-specific information

Y

Year code (last digit of calendar year)

YY

Year code (last 2 digits of calendar year)

WW

Week code (week of January 1 is week ‘01’)

NNN

Alphanumeric traceability code

  

Pb-free JEDEC

®

 designator for Matte Tin (Sn)

*

This package is Pb-free. The Pb-free JEDEC designator (     )
can be found on the outer packaging for this package.

Note:

In the event the full Microchip part number cannot be marked on one line, it will
be carried over to the next line, thus limiting the number of available
characters for product code or customer-specific information. Package may or
not include the corporate logo.

3

e

3

e

XXXXXX

YYWWNNN

e3

XX

HV7360

e3

1724111

GA

XXXXXX

YYWWNNN

e3

XX

HV7361

e3

1718555

GA

Maker
Microchip Technology Inc.
Datasheet PDF Download